Blue Sea Systems 285-Serie Automatische Zekering/ Circuit Breaker - 80A
Met deze Blue Sea Systems 285 Series Thermische automatische zekering/ Circuit Breaker zekert u uw installatie veilig af. Deze variant betreft een zekering van 80A.
Vervanger voor 185 Series Circuit Breakers
Heeft een 185 Series Circuit Breakers en zoekt u een vervangend exemplaar? Dan kunt u deze 285 series Circuit Breaker prima toepassen.
Zichtbare gele reset-hendel
De zichtbare gele reset-hendel aan de voorzijde van de automatische zekering toont de open toestand ervan.
Ontstekingsveilig/ vonkvrij
De 285 serie stroomonderbrekers zijn voorzien van een ontstekingsbeveiliging en zijn daarmee vonkvrij. Dit maakt ze veilig voor gebruik in installaties aan boord van benzine aangedreven boten.
Voldoet aan SAE J1171 normering
De 285 serie stroomonderbrekers voldoen aan de SAE J1171 normering. Deze normering heeft betrekking op alle elektrische apparaten die geschikt zijn voor gebruik in scheepsmotorcompartimenten en brandstoftankruimten.
IP67 water en stofdicht
Deze hoogwaardige automatische zekering is IP67 water en stofdicht en kan dus probleemloos gebruikt worden in vochtige en stoffige omgevingen en zelfs buiten.
Toepasbaar als zekering en schakelaar
De 185 Series Circuit Breaker is toepasbaar als zekering/ stroomonderbreker en tevens als schakelaar. Voor dat laatste is het wel van belang dat de schakelaar niet gebruikt wordt in toepassingen waar hoge inschakelstromen worden verwacht.
Trip Free
Deze automatische zekering/ schakelaar is "Trip Free". Dit houdt in dat wanneer de zekering op is gegaan deze niet handmatig dichtgeduwd kan worden en gesloten kan blijven als het probleem zich nog voordoet. Dit is een extra beveiliging van deze zekering.
Montage
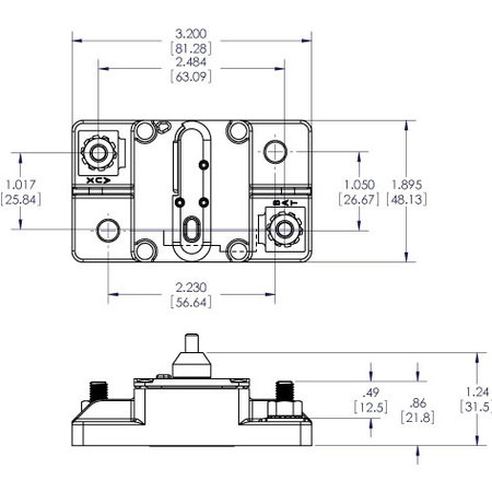
De montage van deze zekering is eenvoudig te doen op een vlakke ondergrond. 2 schroefgaten zijn aanwezig in de behuizing van de zekering/ schakelaar. Draai de bouten/ draadeinden (M6) aan met maximaal 5,65 Nm aan moment.
Details
Amperage/ hoogte zekering: 80A
Maximum Voltage: 48V DC
Montage: Op vlakke ondergrond
Type Circuit Breaker/ Zekering: Thermisch Bi-metaal
Maximaal moment aandraaien bouten: 5,65 Nm
Maximale onderbrekingscapaciteit: 3000A / 48V
Minimum bedrijfstemperatuur: -40° C
Maximale bedrijfstemperatuur: 85° C
Zekering klasse: Type III - Handmatige reset - Trip Free
Aansluitingen/ bouten: M6
Afmetingen: 82 x 50 x 38 mm
Gewicht: 0,23 kg
                Disclaimer
Ondanks een grote mate van zorgvuldigheid in het vervaardigen van de content op deze pagina, is Acculaders.nl niet aansprakelijk voor onverhoopte fouten, onvolledigheid of andere tekortkomingen van deze uitleg. Noch kan Acculaders.nl, zijnde wederverkoper en géén installateur, aansprakelijk worden gesteld voor enig foutief gebruik van de via ons gekochte producten en eventuele negatieve gevolgen daarvan. Lees altijd de gebruiksaanwijzing, ken de van toepassing zijnde wet- en regelgeving en win bij twijfel altijd verder informatie in. Zie ook onze disclaimer: 4.b Content en aansprakelijkheid. Lees vooraf óók over onze (Carry In) garantievoorwaarden. 
              
  
AQ-TRON
BizLine
CTEK
GYS
Mastervolt
Ratio
Tecmate
Telwin
Victron
Wallbox
          
          
          
          
          
          
          
                          
                                                      
                      







